插片保险丝

MEGA298 货车房车进口品质电瓶保险座MEGA 0298 0496保险丝座Littelfuse

  • 发布时间:2019-10-14 03:21:09
  • FUSES大型、大电流慢断车用 MEGA298系列保险丝规格书
  • 在线咨询

FUSES大型、大电流慢断车用
MEGA298系列保险丝规格书

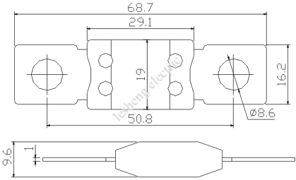
    MEGA298系列保险丝是用螺丝固定安装的,设计用于保护高达250安培的电流流通的电路.适合用于蓄电池,发电机插管和其他超高电流的重型电缆.
额定电压值: DC32V
温度:-40℃至+125℃
Material材料:PBT外壳              CuSn7+Sn电极
Safety Approvals:(安全认证):

电气特性:

电流额定值百分比 熔断时间
最小 最大
110%
135%
200%
350%
600%

4小时
120秒
1秒
0.3秒
0.1秒

 
1800秒
15秒
5秒
1秒



订货资料:

目录号 颜色标记 额定电流(安培) 公称冷电阻(毫欧) 最小溶化热I2t(A2Sec)
298.080.
298.100.
298.125.
298.150.
298.175.
298.200.
298.225.
298.250.
-

绿




粉红
80
100
125
150
175
200
225
250
0.72
0.55
0.43
0.35
0.27
0.26
0.23
0.19
-
31100
57800
100000
168000
204000
257000
389000


新闻中心

联系我们

CONTACT US

LESFUSE 乐声电器有限公司

QQ:541560922

电话:0574-62646008(总机)62645880 传真:0574-62645883

邮箱:postmaster@lesheng.com

地址:浙江省余姚市新建北路818号 智晟云谷北区7-1